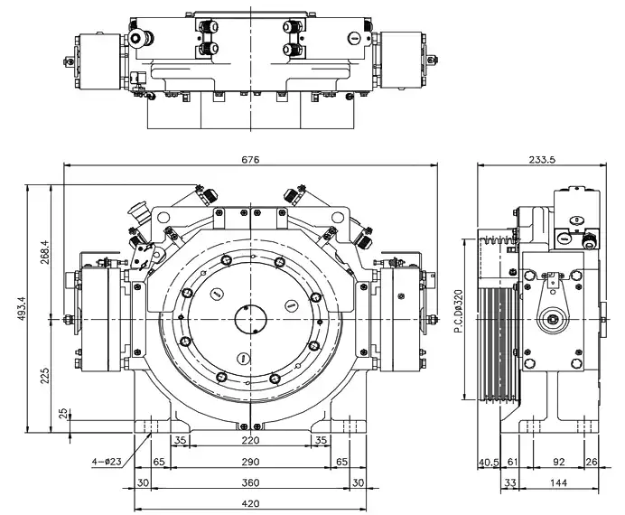
Model: KM-G63R10
| Parameter | Specifications |
| Rope | 2:1 |
| Speed(m/s) | 1.0-2.0 |
| Load (KG) | 450-1050 |
| Motor Weight (KG) | 320 |
| Sheave PCD DIA(mm) | 400 |
| Duty Cycle | S5-60% |
| Brake Type | SDZK-8500JR |
| Brake Torque (N.m) | 2*850 |
| Encoder | HEIDENHAIN ERN1387 |
Catalog Send Inquiry
KANEKO (KM) Elevator Traction Machine is the core power unit designed for efficient and dependable elevator operation. This crucial piece of elevator technology is engineered to provide the muscle for vertical transportation, moving the elevator car and its passengers smoothly and safely. The KM series is a versatile solution, perfectly suited for a wide range of applications from low-rise residential buildings to demanding high-rise buildings and busy commercial building complexes. Its primary job is to transport people and goods with a focus on reliability, quiet operation, and minimizing energy consumption.


When you choose a KANEKO KM machine, you are selecting a key component built for longevity. The machine works in harmony with other critical elevator components like the governor, guide rails, and control system to ensure a seamless ride quality. A major advantage of the KM design is its ability to handle significant weight capacity without sacrificing performance. This makes it a reliable choice for buildings that require consistent and heavy-duty use throughout the day. The robust construction ensures that the system can manage the daily stresses of starting, stopping, and maintaining position at a floor.
Key Features and Benefits:
The KANEKO KM Traction Machine stands out due to its innovative engineering. It utilizes a permanent magnet synchronous motor (PMSM) design. This modern approach is far superior to older, traditional models. The PMSM technology leads to substantially lower energy use. This reduction in energy consumption translates directly into lower electricity bills for building owners and managers. It is a greener choice that supports sustainability goals for modern structures.
Another significant benefit is the compact and lightweight design of the KM unit. This is a critical factor for both new installations and modernization projects. In new constructions, the smaller size allows architects and engineers more flexibility in machine room layout. For modernization, it means the powerful KM machine can often be installed in existing spaces without requiring major structural changes. This saves time, reduces installation complexity, and lowers overall project costs.
The machine is also renowned for its quiet operation. Advanced magnetic field control and precision gear machining result in minimal noise and vibration. This smooth performance is essential for ensuring passenger comfort. It is particularly important in environments like luxury residential buildings, hotels, and offices where a quiet ride is a key expectation. The reliability of the KM series reduces downtime and the need for frequent maintenance, ensuring that the vertical transportation system remains operational when people need it most.
Technical Specifications and Applications:
The KM series is not a one-size-fits-all product. It comes in various models to match specific project requirements. Key specifications include traction capacity, which defines the maximum load the machine can handle. This weight capacity is a vital consideration for engineers designing the system. The speed of the machine is another crucial factor, with options available for standard speeds in mid-rise buildings and higher speeds for taller high-rise buildings.
For Residential Buildings: The KM machine offers the quiet and smooth operation that residents appreciate. Its energy efficiency helps keep homeowners' association costs down.
For Commercial Buildings: Durability and the ability to handle high traffic are paramount. The KM series is built for the constant start-stop cycles of an office or retail environment.
For High-Rise Buildings: Here, speed and power are critical. The appropriate KM model ensures fast and reliable vertical transportation to the upper floors without compromise.
In summary, the KANEKO (KM) Elevator Traction Machine is a smart investment for any building. It combines high performance with outstanding efficiency and remarkable reliability. By optimizing energy consumption and providing a superior passenger experience, it represents the future of elevator drive technology. It is the heart of a system designed to transport people safely and comfortably for years to come.